欢迎来到广州德奥环保设备有限公司,有需要欢迎来电洽谈咨询!
广州德奥环保设备有限公司
滤砂缸与水泵在正常的水处理工程时都是形影不离的两兄弟。它们的身影可见于泳池工程、循环水养殖工程、流水养殖工程、环保水处理、城市污水处理、饮用水处理等诸多行业。但据千叶水设备多年的..
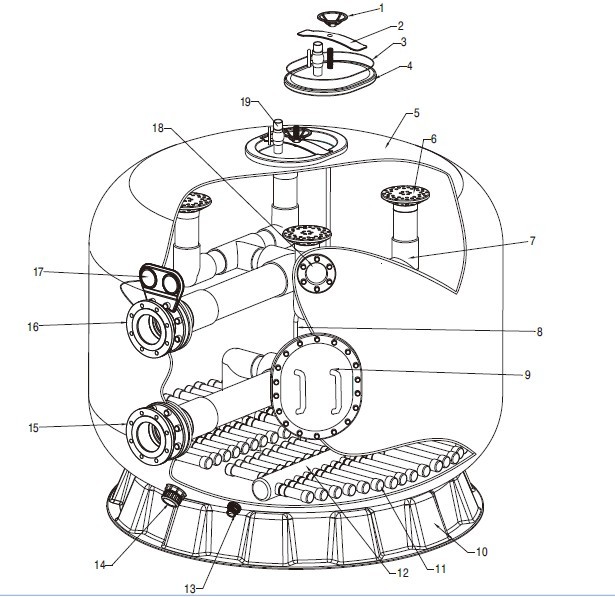
过滤砂缸又名过滤沙缸、沙缸过滤器、砂滤罐等。因较初使用石英沙作为滤料而得名。因为过滤砂缸有着轻便、操作简单、成本低兼等优势,在各种水处理行业得到越来越多的应用。与它配套的过滤材料..
较近经常有客户咨询我们AQUA爱克沙缸头的六位阀功能中文翻译,所以特意整理了一下,推送给大家,请收藏+转发分享吧。缸头六位阀:中英文对照:同时提醒大家请*AQUA爱克正品: 我们接到不少关于..
室内泳池水加热,水质管理要注意什么? 每逢进入秋冬季节,一般室内泳池会开始启动加热装置泳池水进行加热以提高水温,防止下水游泳的客人因为气温低而身体降温加速,上岸后身体接触冷空气,容..
水泵扬程与流量之间的关系 很多新手认为抽水扬程越低,电机负荷越小。在这种错误认识的误导下,选购水泵时,常将水泵的扬程选得很高。其实对于离心式水泵而言,当水泵型号确定后,其消耗功率的..
一、定义 二、止回阀的选型要求1、选择止回阀阀型时要考虑众多综合因素:(1)止回阀的开启压力与止回阀关闭状态时的密封性能有关,关闭状态密封性好的,开启压力就大,反之则小。(2)开启压..
一、工作原理沙缸过滤器利用特殊的滤沙将池水中的微小污物清除,滤沙作为清除污物的介质,被装填在过滤器的腔体内,当控制旋扭打到“FILTER 过滤”位置时,含有悬浮的污物微粒的池水由水泵压入..
*人民共和国国家标准BR>渔业水质标准Water puality standard for fisheriesGB11607-89国家环境保护局1989-08-12批准1990-03-01实施 为贯彻执行*人民共和国《环境保护法》、《水污染防治法..
选择水泵时,扬程和进出水的关系很重要 高扬程水泵用于低扬程抽水很多人认为水泵抽水扬程越低,电机负荷越小。在这种错误认识的误导下,选购水泵时,常将水泵的扬程选得很高。其实对于离心式水..
DN 、De、Φ的表示▼ 01 DN是指管道的公称直径 公称直径可用公制mm表示,也可用英制in表示。管路附件也用公称直径表示,意义同有缝管。它与英制单位的对应关系如下: 公称通径(nominal diamete..













